Pemadam Api Otomatis Pada Mobil
2.Mampu menjelaskan Prinsip kerja dari rangkaian yang menggunakan transitor unipolar(channel-n)
3.Mampu mengaplikasikan transitor unipolar pada rangkaian sederhana yang dibuat pada proteus
- Alat yang digunakan
a.Battery (Power Supply)
Sistem Kimia: Zinc-Manganese Dioxide (Zn / MnO2)
Penunjukan: ANSI 1604A, IEC-6LF22 atau 6LR61
Tegangan Nominal: 12 volt
Suhu Operasi: -18 ° C hingga 55 ° C
Berat Khas: 45 gram
Shelf Life: 5 tahun pada 21 ° C
Terminal: Jepretan Miniatur
Baterai (Battery) adalah sebuah alat yang dapat merubah energi kimia yang disimpannya menjadi energi Listrik yang dapat digunakan oleh suatu perangkat Elektronik. Hampir semua perangkat elektronik yang portabel seperti Handphone, Laptop, Senter, ataupun Remote Control menggunakan Baterai sebagai sumber listriknya
Dalam kehidupan kita sehari-hari, kita dapat menemui dua jenis Baterai yaitu Baterai yang hanya dapat dipakai sekali saja (Single Use) dan Baterai yang dapat di isi ulang (Rechargeable).
Baterai Primer (Baterai Sekali Pakai/Single Use)
Baterai Primer atau Baterai sekali pakai ini merupakan baterai yang paling sering ditemukan di pasaran, hampir semua toko dan supermarket menjualnya. Hal ini dikarenakan penggunaannya yang luas dengan harga yang lebih terjangkau. Baterai jenis ini pada umumnya memberikan tegangan 1,5 Volt dan terdiri dari berbagai jenis ukuran seperti AAA (sangat kecil), AA (kecil) dan C (medium) dan D (besar). Disamping itu, terdapat juga Baterai Primer (sekali pakai) yang berbentuk kotak dengan tegangan 6 Volt ataupun 9 Volt.

Baterai Sekunder (Baterai Isi Ulang/Rechargeable)
Baterai Sekunder adalah jenis baterai yang dapat di isi ulang atau Rechargeable Battery. Pada prinsipnya, cara Baterai Sekunder menghasilkan arus listrik adalah sama dengan Baterai Primer. Hanya saja, Reaksi Kimia pada Baterai Sekunder ini dapat berbalik (Reversible). Pada saat Baterai digunakan dengan menghubungkan beban pada terminal Baterai (discharge), Elektron akan mengalir dari Negatif ke Positif. Sedangkan pada saat Sumber Energi Luar (Charger) dihubungkan ke Baterai Sekunder, elektron akan mengalir dari Positif ke Negatif sehingga terjadi pengisian muatan pada baterai. Jenis-jenis Baterai yang dapat di isi ulang (rechargeable Battery) yang sering kita temukan antara lain seperti Baterai Ni-cd (Nickel-Cadmium), Ni-MH (Nickel-Metal Hydride) dan Li-Ion (Lithium-Ion).

Struktur Battery

Dalam Elektronika, ground yang dimaksud adalah ground semu (boleh juga nanti dihubungkan dengan ground sesungguh nya untuk pengamanan terhadap setrum).
Yang dimaksud titik "ground semu" adalah titik tersebut dihubungkan dengan body alat elektronik yang terbuat dari logam sehingga semua komponen di dalamnya tertutupi oleh ground semu itu.
Dengan cara ini jika ada (dan pasti ada) gelombang elektromagnetik dari udara sekitarnya tidak masuk ke alat elektronik kita.
Ground pada elektronik berfungsi sebagai:
1.Sebagai proteksi peralatan elektronik atau instrumentasi sehingga dapat mencegah kerusakan akibat adanya bocor tegangan.
2.Grounding di dunia eletronika berfungsi untuk menetralisir cacat (noise) yang disebabkan baik oleh daya yang kurang baik, ataupun kualitas komponen yang tidak standar.
Simbol Grounding Listrik
Sama seperti kebanyakan istilah dalam dunia kelistrikan sering terdapat simbol yang berbeda beda di tiap negara begitupun juga dengan simbol grounding listrik yang terdapat beberapa yang umum digunakan. Pada peralatan kelistrikan tentunya kita tidak jarang melihat ikon simbol dibawah ini bukan.

Kesemuanya adalah sama yaitu sebagai simbol grounding listrik. Fungsi dari simbol ini tentu saja banyak sekali misalnya saat proses gambar teknik instalasi listrik, proses pembangunan gedung, troubleshooting pada saat terjadi kegagalan ataupun maintenance instalasi listrik.
c)VCC
VCC menunjukkan pin yang harus disambung ke tegangan positip (biasanya 5V atau 3.3V)
Pada awalnya VCC muncul ketika berbicara tentang rangkaian yang melibatkan transistor, khsusunya Bipolar Junction Transistor. Komponen-komponen elektronik aktif hampir selalu memiliki transistor di dalamnya. Sebuah IC (Integrated Circuit) bisa terdiri dari jutaan atau bahkan milyaran transistor di dalamnya.
Sebuah transistor memiliki 3 kaki yaitu Collector, Base dan Emiter. VCC menyatakan tegangan (Voltage) pada kaki Collector. Jadi istilah VCC pada awalnya merujuk kepada tegangan di Collector ini. Sedangkan tegangan pada Emiter disebut VEE. Dan di kaki Base adalah ground.
Istilah VCC dan VEE ini terus terbawa sampai sekarang bahkan kepada komponen yang tidak mengandung transistor sekalipun. VCC menyatakan power supply positif sedangkan VEE menyatakan power supply negatif. Sedangkan ground adalah netral (0 V). Kebanyakan kasus kita hanya menemukan VCC dan Ground.
Berapakah nilai VCC? tergantung spesifikasinya bisa +3.3V, +5V, +9V atau +12V dan VEE bisa -3.3V, -5V, -9V atau -12V.
Oleh karena itu SANGAT PENTING untuk membaca spesifikasi VCC ini, jika salah bisa berisiko rusaknya komponen arduino kita.
Sebetulnya selain VCC dan VEE ada juga VDD dan VSS. Kalau VCC dan VEE ditemui pada transitor jenis bipolar (BJT), VDD dan VSS ada di transistor jenis FET (Field Effect Transistor). VDD (Drain) sama seperti VCC menyatakan power positif sedangkan VSS (Source) menyatakan power negatif.
- Speed : 2750 rpm
- Output : DC 12V
- Arus : 35A
- Built-in regulator
Generator ialah suatu mesin yang mengubah tenaga mekanis menjadi tenaga listrik.
Tenaga mekanis : memutar kumparan kawat penghantar dalam medan magnet ataupun sebaliknya memutar magnet diantara kumparan kawat penghantar
Tenaga listrik yang dihasilkan oleh generator tersebut adalah arus searah (DC) atau arus bolak-balik (AC), hal ini tergantung dari susunan atau konstruksi dari generator, serta tergantung dari sistem pengambil arusnya.
- Bahan yang digunakan
a.Resistor

- Resistance (Ohms) : 220 V
- Power (Watts) : 0,25 W, ¼ W
- Tolerance : ± 5%
- Packaging : Bulk
- Composition : Carbon Film
- Temperature Coefficient : 350ppm/°C
- Lead Free Status : Lead Free
- RoHS Status : RoHs Complient
b.Relay 

Spesifikasi :
- Trigger Voltage (Voltage across coil) : 5V DC
- Trigger Current (Nominal current) : 70mA
- Maximum AC load current: 10A @ 250/125V AC
- Maximum DC load current: 10A @ 30/28V DC
- Compact 5-pin configuration with plastic moulding
- Operating time: 10msec Release time: 5msec
- Maximum switching: 300 operating/minute (mechanically)
Konfigurasi Pin
- Coil End 1 : Used to trigger(On/Off) the Relay, Normally one end is connected to 5V and the other end to ground.
- Coil End 2 : Used to trigger(On/Off) the Relay, Normally one end is connected to 5V and the other end to ground.
- Common (COM) : Common is connected to one End of the Load that is to be controlled.
- Normally Close (NC) : The other end of the load is either connected to NO or NC. If connected to NC the load remains connected before trigger.
- Normally Open (NO) : The other end of the load is either connected to NO or NC. If connected to NO the load remains disconnected before trigger.
Spesifikasi:
–Stepper motor tipe bipolar yang bekerja pada tegangan 9V.
– Tipe: bipolar.
– Kondisi: refurbished, sudah diuji @ 9V.
– Tegangan kerja: 12V (new-rated), 259mA.
– Resolusi: 7,5º/step (full step).
– Torsi: 38,2 mN.m (new-rated).

Spesifikasi :
- arus searah jangka panjang maksimum pada 75 ° C - 1.0 A;
- arus pulsa maksimum dengan durasi pulsa 3,8 ms - 30 A;
- drop tegangan melintasi dioda pada arus 1,0A - 1,1 V;
- kisaran suhu operasi - -65 ... + 175 ° С;
- frekuensi kerja maksimum - 1 MHz;
a.Motor DC
Motor DC adalah motor listrik yang merupakan perangkat elektromekanis yang menggunakan interaksi medan magnet dan konduktor untuk mengubah energi listrik menjadi energi mekanik putar, dimana motor DC dirancang untuk dijalankan dari sumber daya arus searah (DC). Sudah lebih dari 100 tahun motor DC brush (disikat) digunakan dalam industri serta aplikasi domestik.
Prinsip Kerja Motor DC
Komponen utama dari Motor DC adalah Winding/liltan, Magnet, Rotors, Brushes, Stator dan sumber arus searah (Arus DC). Ketika armature ditempatkan dalam medan magnet yang dihasilkan oleh magnet maka armature diputar dengan menggunakan arus searah, hal ini menghasilkan gaya mekanik. Dengan memanfaatkan putaran motor DC banyak jenis pekerjaan yang dapat dikerjakan.
Satuan nilai Resistor atau Hambatan adalah Ohm. Nilai Resistor biasanya diwakili dengan kode angka ataupun gelang warna yang terdapat di badan resistor. Hambatan resistor sering disebut juga dengan resistansi atau resistance.
Rtotal = R1 + R2 + R3 + ….. + Rn
Rumus dari Rangkaian Seri Resistor adalah :
1/Rtotal = 1/R1 + 1/R2 + 1/R3 + ….. + 1/Rn
Berikut adalah macam-macam resistor dan simbolnya
Prinsip Kerja Relay
Pada dasarnya, Relay terdiri dari 4 komponen dasar yaitu :
1.Electromagnet (Coil)
2.Armature
3.Switch Contact Point (Saklar)
4.Spring
Berikut ini merupakan gambar dari bagian-bagian Relay :
-Normally Close (NC) yaitu kondisi awal sebelum diaktifkan akan selalu berada di posisi CLOSE (tertutup)
-Normally Open (NO) yaitu kondisi awal sebelum diaktifkan akan selalu berada di posisi OPEN (terbuka)
Berdasarkan gambar diatas, sebuah Besi (Iron Core) yang dililit oleh sebuah kumparan Coil yang berfungsi untuk mengendalikan Besi tersebut. Apabila Kumparan Coil diberikan arus listrik, maka akan timbul gaya Elektromagnet yang kemudian menarik Armature untuk berpindah dari Posisi sebelumnya (NC) ke posisi baru (NO) sehingga menjadi Saklar yang dapat menghantarkan arus listrik di posisi barunya (NO). Posisi dimana Armature tersebut berada sebelumnya (NC) akan menjadi OPEN atau tidak terhubung. Pada saat tidak dialiri arus listrik, Armature akan kembali lagi ke posisi Awal (NC). Coil yang digunakan oleh Relay untuk menarik Contact Poin ke Posisi Close pada umumnya hanya membutuhkan arus listrik yang relatif kecil.
Arti Pole dan Throw pada Relay
Karena Relay merupakan salah satu jenis dari Saklar, maka istilah Pole dan Throw yang dipakai dalam Saklar juga berlaku pada Relay. Berikut ini adalah penjelasan singkat mengenai Istilah Pole and Throw:
- Pole : Banyaknya Kontak (Contact) yang dimiliki oleh sebuah relay
- Throw : Banyaknya kondisi yang dimiliki oleh sebuah Kontak (Contact)
- Single Pole Single Throw (SPST) : Relay golongan ini memiliki 4 Terminal, 2 Terminal untuk Saklar dan 2 Terminalnya lagi untuk Coil.
- Single Pole Double Throw (SPDT) : Relay golongan ini memiliki 5 Terminal, 3 Terminal untuk Saklar dan 2 Terminalnya lagi untuk Coil.
- Double Pole Single Throw (DPST) : Relay golongan ini memiliki 6 Terminal, diantaranya 4 Terminal yang terdiri dari 2 Pasang Terminal Saklar sedangkan 2 Terminal lainnya untuk Coil. Relay DPST dapat dijadikan 2 Saklar yang dikendalikan oleh 1 Coil.
- Double Pole Double Throw (DPDT) : Relay golongan ini memiliki Terminal sebanyak 8 Terminal, diantaranya 6 Terminal yang merupakan 2 pasang Relay SPDT yang dikendalikan oleh 1 (single) Coil. Sedangkan 2 Terminal lainnya untuk Coil.
Untuk lebih jelas mengenai Penggolongan Relay berdasarkan Jumlah Pole dan Throw, silakan lihat gambar dibawah ini :
Fungsi-fungsi dan Aplikasi RelayBeberapa fungsi Relay yang telah umum diaplikasikan kedalam peralatan Elektronika diantaranya adalah :
- Relay digunakan untuk menjalankan Fungsi Logika (Logic Function)
- Relay digunakan untuk memberikan Fungsi penundaan waktu (Time Delay Function)
- Relay digunakan untuk mengendalikan Sirkuit Tegangan tinggi dengan bantuan dari Signal Tegangan rendah.
- Ada juga Relay yang berfungsi untuk melindungi Motor ataupun komponen lainnya dari kelebihan Tegangan ataupun hubung singkat (Short).

Dioda adalah komponen elektronika yang terdiri dari dua kutub dan berfungsi menyearahkan arus. Komponen ini terdiri dari penggabungan dua semikonduktor yang masing-masing diberi doping (penambahan material) yang berbeda, dan tambahan material konduktor untuk mengalirkan listrik.
Dalam ilmu fisika dioda digunakan untuk penyeimbang arah rangkaian elektronika. Elektronika memiliki dua terminal yaitu anoda berarti positif dan katoda berarti negatif. Prinsip kerja dari anode berdasarkan teknologi pertemuan positif dan negative semikonduktor. Sehingga anode dapat menghantarkan arus litrik dari anoda menuju katoda, tetapi tika sebaliknya katoda ke anoda.
Dioda digambarkan seperti sebuah switch/saklar dimana saklar tersebut hanya akan bekerja di beri tegangan atau arah arus sesuai dengan polaritas kaki ioda itu sendiri. Pada arah bias maju, bias kaki anoda diberikan tegangan (+) dan tegangan (-) pada katoda maka dioda akan dapat mengalirkan arus pada satu arah. Sedangkan pada arah arus mundur bias dimana kaki anoda diberi tegangan (-) dan tegangan (+) pada katoda maka saklar menjadi terbuka atau saklar OFF.

Cara kerjanya pun hampir sama dengan Dioda yang memiliki dua kutub yaitu kutub Positif (P) dan Kutub Negatif (N). LED hanya akan memancarkan cahaya apabila dialiri tegangan maju (bias forward) dari Anoda menuju ke Katoda.
LED atau Light Emitting Diode yang memancarkan cahaya ketika dialiri tegangan maju ini juga dapat digolongkan sebagai Transduser yang dapat mengubah Energi Listrik menjadi Energi Cahaya.
Transistor efek medan (Field Efect Transistor/FET) merupakan divais terkendali tegangan, yang berarti karakteristik keluaran dikendalikan oleh tegangan masukan. Ada dua jenis FET yaitu JFET (junction Field Efect Transistor) dan MOSFET (metal-oxide semiconductor FET). Operasi penguat FET menyerupai penguat BJT. Perbedaan antara keduanya adalah BJT merupakan komponen terkendali arus, sedangkan FET merupakan komponen terkendali tegangan. Selain itu impedansi masukan penguat FET jauh lebih tinggi dibandingkan penguat BJT. Seperti halnya BJT, JFET juga memiliki 3 (tiga) kaki yang masing-masing disebut : Source (S), Gate (G), Drain (D). ada dua jenis JFET yang umum digunakan berdasarkan saluran (channel), yaitu channel – N dan channel – P dengan simbol seperti pada gambar berikut:
Gambar 3. menunjukkan kurva karakteristik drain – source JFET saluran – n yang umum. Untuk VGS = 0, arus drain meningkat sebagaimana peningkatan VDS sampai suatu titik di mana tingkat arus berhenti atau mencapai saturasi.
Karakteristik Transfer (Transfer – Characteristic)
Bentuk lain dari karakteristik komponen ini adalah karakteristik transfer yang merupakan kurva arus drain, ID sebagai fungsi dari tegangan gate – source, VGS, untuk suatu nilai konstan tegangan drain – source, VDS. Karakteristik transfer dapat diamati secara langsung pada sebuah perangkat perunut kurva (curve Tracer), ditentukan secara langsung dengan pengukuran operasi perangkat, atau penggambaran dari karakteristik drain seperti yang ditunjukkan pada Gambar 4 berikut.Transkonduktansi (gm)
Persamaan (1) menyatakan bahwa tegangan dc pada gate–source (VGS) mengontrol tingkat arus dc pada drain (ID). Perubahan kedua variabel ini dihubungkan oleh sebuah besaran penting yang disebut sebagai transkonduktansi (gm) yang dapat dituliskan sebagai berikut.Awalan trans pada kata transkonduktansi menyatakan hubungan antara kuantitas output dan input. Kata konduktansi dipilih sedemikian rupa karena gm ditentukan oleh rasio arus terhadap tegangan yang serupa dengan rasio yang digunakan untuk menentukan konduktansi sebuah resistor, G = 1/R = I/V.Merujuk pada Pers. [2], terlihat bahwa gm merupakan kemiringan kurva karakteristik transfer pada titik operasi yang dapat dinyatakan dalam bentuk :
Sebagaimana ditunjukkan oleh kurva karakteristik transfer berikut.
- IDSS, arus saturasi drain – source,
- VP = VGS(off), tegangan jepit (pinch – off),
- BVGSS, tegangan breakdown dengan drain – source terhubung singkat,
- gm = gfs, transkonduktansi perangkat, dan
- rds(on), resistansi drain – source ketika perangkat dalam keadaan on/aktif. (Haris dkk, 2008)
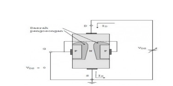
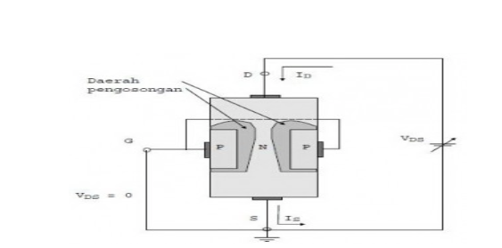
Apabila tegangan VDS JFET Kanal N dinaikkan terus hingga daerah pengosongan sebelah kiri dan kanan bersentuhan maka aliran elektron akan jenuh yang disebut dengan kondisi pinch-off seperti pada gambar dibawah. Pada kondisi ini (arus mulai jenuh dan VGS = 0) tegangan VDS disebut dengan tegangan pinch-off (Vp). Kenaikan VDS sesudah ini tidak akan menambah arus ID lebih besar lagi atau ID akan tetap, yakni yang disebut dengan IDSS (drain-source saturation current). IDSS adalah arus drain maksimum pada JFET Kanal N dengan kondisi VGS = 0 Volt dan VDS = | Vp |.
Pengertian dan Kegunaan Flame Sensor
Flame sensor adalah alat yang sensitif terhadap radiasi sinar ultraviolet yang ditimbulkan oleh nyala api, tetapi detector ini tidak bereaksi pada lampu ruangan, infra merah atau sumber cahaya lain yang tidak ada hubungannya dengan nyala api (flame).
Flame sensor atau flame detector merupakan salah satu alat instrument berupa sensor yang dapat mendeteksi nilai intensitas dan frekuensi api dengan panjang gelombang antara 760 nm ~ 1100 nm. Aplikasi yang disarankan untuk penggunaan flame detector adalah :
a.Rumah yang memiliki plafon tinggi: aula, gudang, galeri.
b.Tempat yang mudah terbakar: gudang kimia, pompa bensin, pabrik, ruangan mesin, ruang panel listrik.
c.Ruang komputer, lorong-lorong dan sebagainya.
Penempatan detector harus bebas dari objek yang menghalangi, tidak dekat dengan lampu mercury, lampu halogen dan lampu untuk sterilisasi. Juga hindari tempat-tempat yang sering terjadi percikan api (spark), seperti di bengkel-bengkel las atau bengkel kerja yang mengoperasikan gerinda. Dalam percobaan singkat, detector ini menunjukkan performa yang sangat bagus. Respon detector terbilang cepat saat korek api dinyalakan dalam jarak 3 – 4m. Oleh sebab itu, pemasangan di pusat keramaian dan area publik harus sedikit dicermati. Jangan sampai orang yang hanya menyalakan pemantik api (lighter) di bawah detector dianggap sebagai kebakaran. Bisa juga dipasang di ruang bebas merokok (No Smoking Area) asalkan bunyi alarm-nya hanya terjadi di ruangan itu saja sebagai peringatan bagi orang yang “membandel”.
Rumus :
Keterangan :
q = kalor yang dilepas atau diserap (J)
D= perubahan temperatur (takhir – tawal) (0C)
C = kapasitas kalor (J/0C)
m = massa sampel (gr)
c = kalor jenis (J/g0C)
Modul Sensor Suara FC-04 yang dapat mendeteksi intensitas suara sekeliling, mengidentifikasi keberadaan atau ketidakberadaan suara (berdasarkan prinsip getaran suara).
Catatan:
1. Modul sensor suara sensitif terhadap intensitas suara sekitar lingkungan.
2. Ketika intensitas suara lebih kecil dari nilai yang ditentukan, DO menghasilkan nilai tinggi. Ketika intensitas suara luar lebih besar dari nilai yang ditentukan, DO menghasilkan nilai rendah.
3. Port DO dapat dihubungkan secara langsung dengan microcontroller untuk mendeteksi nilai tinggi dan rendah, sehingga dapat mendeteksi suara sekitar.
4. Digital output DO pada modul dapat difungsikan langsung sebagai saklar yang diaktifasi oleh suara (voice-activated switch)
1.Siapkan semua alat dan bahan yang diperlukan.Untuk alat VCC serta terminal ground bisa ditemukan di sub tab terminal.
Saat sensor mendeteksi Api
Saat sensor mendeteksi suara
Ketika flame sensor tidak mendeteksi adanya api maka tidak ada arus yang mengalir logicstate(0). Sehingga tegangan pada gate bernilai kurang dari 0,7 V maka transistor tidak aktif maka arus langsung menuju ke kaki source.Karena tidak ada tegangan yang mengalir di drain maka relay OFF dan saklar bergerak ke kanan. karna relay off maka motor mati karna tidak mendapat tegangan dari battery. Ketika Flame sensor mendeteksi api logicstate(1) maka flame sensor akan mengeluarkan tegangan sebesar 5V. Setelah itu mengalir ke resistor. Selanjutnya rangkaian menuju transistor, karena tegangan di gate bernilai 0.76 V maka tarnsistor aktif, dengan aktifnya transitor maka akan ada tegangan mengalir dari suplay sebesar 5V menuju relay kemudian ke kaki drain terus ke source dan menuju ground.Karena adanya tegangan yang melewati relay maka relay aktif, saklar bergerak ke kanan. Sehingga motor akan mendapatklan suplay dari batterai sebesar 5V dan motor akan berputar.
Ketika api sudah padam dan sensor mendeteksi kata stop maka sound sensor akan aktif berlogika 1. sound sensor menghasilkan tegangan sebesar 5V. Setelah itu mengalir ke resistor. Selanjutnya rangkaian menuju transistor, karena tegangan di gate bernilai 0.76 V maka tarnsistor aktif, dengan aktifnya transitor maka akan ada tegangan mengalir dari suplay sebesar 5V menuju relay kemudian ke kaki drain terus ke source dan menuju ground.Karena adanya tegangan yang melewati relay maka relay aktif, saklar bergerak ke kanan. Sehingga motor akan mendapatklan suplay dari batterai sebesar 5V dan motor akan berputar.
cara kerja JFET(N-channel)
Dengan adanya VDS JFET Kanal N bernilai positip, maka elektron dari S akan mengalir menuju D melewati kanal N, karena kanal-N tersedia banyak pembawa muatan mayoritas berupa elektron. Dengan kata lain arus listrik pada drain (ID) mengalir dari sumber VDS dan arus pada source (IS) menuju sumber. Aliran elektron JFET Kanal N ini melewati celah yang disebabkan oleh daerah pengosongan sebelah kiri dan kanan.
Pada kondisi JFET kanal N dengan VGS = 0 dan VDS > 0, aliran elektron sepenuhnya hanya tergantung pada resistansi kanal antara S dan D. Lebih jelasnya dapat dilihat pada gambar Kurva hubungan ID dengan VDS. Pada saat ini hubungan arus ID dan VDS masih mengikuti hukum Ohm. Apabila tegangan VDS diperbesar lagi hingga beberapa volt, maka persambungan G dan D semakin besar mendapat tegangan bias mundur, sehingga daerah pengosongan JFET Kanal N semakin melebar.
Apabila tegangan VDS JFET Kanal N dinaikkan terus hingga daerah pengosongan sebelah kiri dan kanan bersentuhan maka aliran elektron akan jenuh yang disebut dengan kondisi pinch-off seperti pada gambar dibawah. Pada kondisi ini (arus mulai jenuh dan VGS = 0) tegangan VDS disebut dengan tegangan pinch-off (Vp). Kenaikan VDS sesudah ini tidak akan menambah arus ID lebih besar lagi atau ID akan tetap, yakni yang disebut dengan IDSS (drain-source saturation current). IDSS adalah arus drain maksimum pada JFET Kanal N dengan kondisi VGS = 0 Volt dan VDS = | Vp |.
Selanjutnya apabila VGS JFET Kanal N diberi tegangan negatip, misalnya sebesar VGS = -1 Volt, maka bias mundur untuk persambungan G-S maupun G-D semakin besar, sehingga daerah pengosongannya semakin lebar. Dengan demikian untuk mencapai kondisi pinch-off (kedua sisi daerah pengosongan bersentuhan) diperlukan tegangan VDS lebih kecil. Arus ID JFET Kanal N akan mencapai titik jenuh (maksimum) pada tegangan VDS yang lebih kecil. Namun perlu diingat arus bahwa arus jenuh pada VGS bukan nol namanya bukanlah IDSS. (elektronika.dasar.web, 2017).
File Rangkaian KLIK DISINIFile html KLIK DISINI
File Datasheet Flame Sensor KLIK DISINI
File Datasheet Battery KLIK DISINI
File Datasheet Resistor KLIK DISINI
File Datasheet Transitor KLIK DISINI
File Datasheet Motor DC KLIK DISINI
File Datasheet Relay KLIK DISINI
File Datasheet Diode KLIK DISINI
File Video Simulasi KLIK DISINI
File Libray Flame Sensor KLIK DLISINI







































Tidak ada komentar:
Posting Komentar